普通阀门 止回阀
  • 国标三偏心法兰连接蝶阀
    国标三偏心法兰蝶阀采用三偏心结构,具有双向密封功能。阀座与密封面均采用不同材质制作,具有良好的耐腐蚀性,使用寿命长,广泛用于治金 、电力、石油化工、以及给排水和市政建设等工业管道上,作调节流量和载断流体使用。
    询单
    规格参数
    应用规范

    1.设计符合GB/T12238-1989
    2.检验与试验按GB/T13927
    3.法兰连接尺寸符合GB/T12221-1989

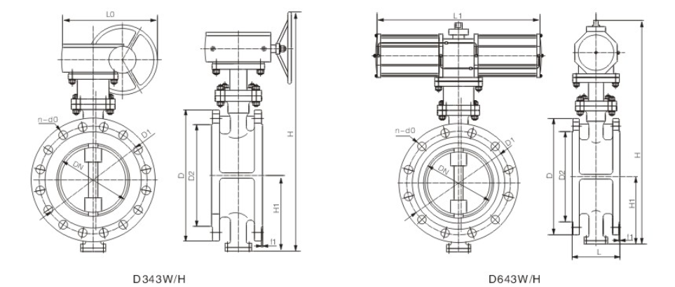
    产品结构图

    国标三偏心法兰连接蝶阀结构图


    联系我们,找到满足您需求
    的最佳产品
    联系方式
    留言给我们
    更多产品

    在线留言

    • *联系人姓名

    • *联系电话

    • *邮箱

    • *描述您的需求和建议....